알림

알림 내역

알림 신청내역/취소

대법원
물건내역
사건내역
기일내역
송달내역
현황조사
지도
사진보기
문서
매각기일공고문
매각물건명세서
감정평가서 M
등기부등본
전입세대열람원 M
건축물대장 M
분석
예상배당표 M
수익률분석 M
입찰가분석 M
조회수분석 M
인근지역통계 M
사이트
대법원
국토부 실거래가
토지이음
아실
네이버 단지정보
네이버 매물정보
호갱노노
부동산플래닛
로고 서울남부지방법원 본원 [경매10계] 2022타경104591
서울특별시 강서구 가로공원로 208, 제9층 제905호 (화곡동, 엔에스타운)

서울 강서구 화곡동 368-32

주소복사
경매구분 강제경매
용도 다세대
토지 10.2㎡(3.09평)
건물 25.41㎡(7.69평)
감정가 363,000,000원
최저가 232,320,000원
보증금 23,232,000원 (10%)
청구액 267,458,405원
개시결정 2022년 04월 01일
감정일 2022년 04월 08일
배당종기 2022년 07월 05일
매각일 2024년 07월 09일
2022타경104591
2022타경104591
2022타경104591
2022타경104591
2022타경104591
2022타경104591
2022타경104591
2022타경104591
2022타경104591
2022타경104591
감정가
3억6300만원
4720만4161원/평
낙찰가 29%
2억5800만원
배당종결 2024년 07월 09일
유찰 14회선순위임차인특별매각조건대항력포기임차권등기
유찰 14회선순위임차인특별매각조건대항력포기임차권등기
경매구분 강제경매
용도 다세대
토지 10.2㎡(3.09평)
건물 25.41㎡(7.69평)
감정가 363,000,000원
최저가 232,320,000원
보증금 23,232,000원 (10%)
청구액 267,458,405원
개시결정 2022년 04월 01일
감정일 2022년 04월 08일
배당종기 2022년 07월 05일
매각일 2024년 07월 09일
배당종결 2024년 07월 09일

당사자 내역

채무자겸소유자 김OO
채권자 주OOOOOOO
교부권자 경OOOOOOOOOOO
교부권자 서OOOOOOOO
교부권자 경OOOOOOO
교부권자 경OOOOOO
임차권자 신OO
교부권자 인OOOOOOOOO
교부권자 서OOOOOOOO
교부권자 서OOOOOOOO
교부권자 국OOOOOOOOOOOO
교부권자 경OOOOOO
배당요구권자 주OOOOOOO
교부권자 경OOOOOOO
임차인 주OOOOOOO
교부권자 시OOOO
교부권자 인OOOOOOOO
교부권자 서OOOOOOOO
교부권자 서OOOOOOOOO
교부권자 서OOOOOOOO
교부권자 서OOOOOOOO
교부권자 노OOOO
압류권자 노OOOO
임차인 신OO
교부권자 경OOOOOOOOOOO

기일 내역

2024.09.05
기일변경
2024.09.03
대금지급기한
2024.07.16
최고가매각허가결정
2024.07.09
2억5800만원 매각
2억3232만원 최저가
2024.06.04
2억9040만원 유찰
2024.04.30
3억6300만원 유찰
2024.03.26
기일변경
2024.02.20
3118만2000원 유찰
2024.01.16
3897만7000원 유찰
2023.12.12
4872만1000원 유찰
2023.11.07
6090만1000원 유찰
2023.10.12
7612만6000원 유찰
2023.09.13
9515만8000원 유찰
2023.08.08
1억1894만8000원 유찰
2023.06.15
1억4868만5000원 유찰
2023.05.10
1억8585만6000원 유찰
2023.04.13
2억3232만원 유찰
2023.03.09
2억9040만원 유찰
2023.01.12
3억6300만원 유찰

매각공고

물건 비고(공고문)

임차인 및 임차권승계인 주택도시보증공사의 매수인에 대한 대항력 포기조건 매각

임차인(매각 명세서)

<비고>
주택도시보증공사:신청채권자 겸 임차인 신호용의 승계인임

물건 비고(매각 명세서)

특별매각조건 : 채권자는 매수인에 대해 배당받지 못하는 잔액에 대한 임대차보증금 반환청구권을 포기하고, 임차권등기를 말
소하는 것을 조건으로 매각

현황 조사(현황 조사서)

전입세대열람내역 및 주민등록표등본에 의하여 작성하였음
전입세대열람서내역 및 주민등록표등본을 조사하여 기재하였음

점유 조사(현황 조사서)

[목록1]*폐문부재로 안내문을 남겨두고 왔으나 아무연락이 없어 점유관계 미상이나 전입세대열람내역서상 소유자세대 아닌 세대주 신호용의 주민등록등본이 발급되므로 임대차관계조사서에 이를 임차인으로 등재함

매각결과+

매각일자 / 결과 응찰자수 최고가 금액/응찰자명 차순위 금액

가장 빠른 경매 정보 플랫폼 경매마당
남들보다 먼저 정보를 선점하세요

간단한 로그인 후 바로 이용 가능합니다

bolt 대법원 보다 빠른 물건 정보
verified 가장 많은 경매 물건 제공
trending_up 월 5회 등기부 무료 열람

현황정보

매각목록

부동산 현황

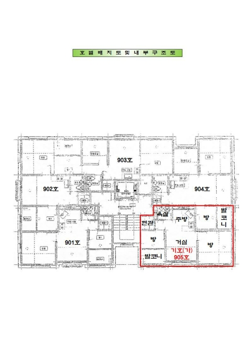
1.구분건물감정평가요항표 1) 위치 및 주위환경 본건은 서울특별시 강서구 화곡동 소재 "화원중학교" 북서측 인근에 위치하며 주위에 근린생활시설 및 주택 등이 혼재하는 지역으로 제반 주위환경은 보통시 됩니다. 2) 교통상황 본건까지 차량의 진출입이 가능하며 주위에 버스정류장이 소재하며 북동측 인근에 화곡역(지하철5호선)이 소재하는 등 제반 교통상황은 보통시 됩니다. 3) 건물의 구조 본건은 철근콘크리트구조 평슬라브지붕 10층 건물내 제9층 제905호로서외벽 : 석재붙임 마감 등내벽 : 벽지도배 및 타일 마감 등창호 : 하이새시창호 등 입니다. 4) 이용상태 본건은 도시형생활주택(다세대)로 이용중입니다. 5) 설비내역 본건은 냉난방설비, 위생급배수설비, 소화전설비, 화재탐지설비, 승강기설비, 도시가스설비 및 기계식주차설비(별도의 건물)을 갖추고 있습니다. 6) 토지의 형상 및 이용상태 본건기호1-6 토지는 일단지로 현황 근린생활시설,업무시설 및 공동주택의 건부지로 이용중이며 등고평탄한 가장형 토지입니다. 7) 인접 도로상태등 본건 북측으로 노폭 약 30m, 동측으로 노폭 약 5m, 남측으로 노폭 약 3m의 도로와 각각 접하고 있습니다. 8) 토지이용계획 및 제한상태 기호1 : 도시지역 , 제3종일반주거지역 , 중요시설물보호지구(공항), 가축사육제한구역(지역경제과 확인 요망)<가축분뇨의 관리 및 이용에 관한 법률>, 수평표면구역(수평표면)<공항시설법>, 대공방어협조구역(위탁고도:77-257m)<군사기지 및 군사시설 보호법>, 과밀억제권역<수도권정비계획법>, 건축선(2019-04-03) 입니다.기호2 : 도시지역 , 제3종일반주거지역 , 중요시설물보호지구(공항), 가축사육제한구역(지역경제과 확인 요망)<가축분뇨의 관리 및 이용에 관한 법률>, 수평표면구역(수평표면)<공항시설법>, 상대보호구역(2015-03-24)<교육환경 보호에 관한 법률>, 대공방어협조구역(위탁고도:77-257m)<군사기지 및 군사시설 보호법>, 과밀억제권역<수도권정비계획법> 입니다.기호3 : 도시지역 , 제3종일반주거지역 , 중요시설물보호지구(공항), 가축사육제한구역(지역경제과 확인 요망)<가축분뇨의 관리 및 이용에 관한 법률>, 수평표면구역(수평표면)<공항시설법>, 상대보호구역(2015-03-24)<교육환경 보호에 관한 법률>, 대공방어협조구역(위탁고도:77-257m)<군사기지 및 군사시설 보호법>, 과밀억제권역<수도권정비계획법>, 건축선(2019-04-03) 입니다.기호4 : 도시지역 , 제3종일반주거지역 , 중요시설물보호지구(공항), 가축사육제한구역(지역경제과 확인 요망)<가축분뇨의 관리 및 이용에 관한 법률>, 수평표면구역(수평표면)<공항시설법>, 대공방어협조구역(위탁고도:77-257m)<군사기지 및 군사시설 보호법>, 과밀억제권역<수도권정비계획법> 입니다.기호5 : 도시지역 , 제3종일반주거지역 , 중요시설물보호지구(공항), 가축사육제한구역(지역경제과 확인 요망)<가축분뇨의 관리 및 이용에 관한 법률>, 수평표면구역(수평표면)<공항시설법>, 대공방어협조구역(위탁고도:77-257m)<군사기지 및 군사시설 보호법>, 과밀억제권역<수도권정비계획법>, 건축선(2019-04-03) 입니다.기호6 : 도시지역 , 제3종일반주거지역 , 중요시설물보호지구(공항), 가축사육제한구역(지역경제과 확인 요망)<가축분뇨의 관리 및 이용에 관한 법률>, 수평표면구역(수평표면)<공항시설법>, 대공방어협조구역(위탁고도:77-257m)<군사기지 및 군사시설 보호법>, 과밀억제권역<수도권정비계획법> 입니다. 9) 공부와의 차이 없습니다. 10) 기타참고사항(임대관례 및 기타) 임대미상입니다.

주변 입주 예정

거리 단지명 공급년월 세대 수
※ 해당 자료는 한국부동산원 청약홈 자료에 근거하며, 인근 5km 이내의 물건을 기준으로 산정되었습니다.

등기

등기부현황

채권합계 -
등기일자 권리종류 권리자/채권액 권리
2019-09-26
소유자 김OOOOOOOO OO
단독소유 -
2021-01-25
(갑3)
압류 OO
말소기준 등기 처분청 노원세무서장
2021-09-10
(을3)
임차권설정 신OO OO
- 258,000,000
2021-12-08
(갑4)
강제관리신청 주OOOOOOO OO
- -
2022-04-01
(갑5)
강제경매개시결정
(2022타경104591)
주OOOOOOO OO
경매기입 등기 267,458,405원
더보기
※ 신규 발급등기의 분석자료 반영에는 최대 1일까지 소요될수 있습니다.(등기분석,임차인분석,분석노트 등)

임차인

매각물건 명세서

구분 법원 사건번호 작성일자 매각명세서
1 서울남부지법 2022타경104591[1] 2024.03.18
구분 법원/
사건번호
작성일자 매각명세서
1 서울남부지법
2022타경104591[1]
2024.03.18

임차인(매각 명세서)

<비고>
주택도시보증공사:신청채권자 겸 임차인 신호용의 승계인임

물건 비고(매각 명세서)

특별매각조건 : 채권자는 매수인에 대해 배당받지 못하는 잔액에 대한 임대차보증금 반환청구권을 포기하고, 임차권등기를 말
소하는 것을 조건으로 매각

임차인현황

임차인 보증금/차임 전입/확정/배당 대항력
주택도시보증공사(신호용)
(주거임차인)
점유부분:
905호 전부
보증:
258,000,000
차임:
0
전입: 2019-08-30
확정: 2019-08-19
배당: 2022-03-31
멤버십

현황 조사서

조사일시

2022년04월11일17시07분

부동산의 현황

전입세대열람내역 및 주민등록표등본에 의하여 작성하였음
전입세대열람서내역 및 주민등록표등본을 조사하여 기재하였음

점유 조사

[목록1]*폐문부재로 안내문을 남겨두고 왔으나 아무연락이 없어 점유관계 미상이나 전입세대열람내역서상 소유자세대 아닌 세대주 신호용의 주민등록등본이 발급되므로 임대차관계조사서에 이를 임차인으로 등재함

1
소재지 서울특별시강서구가로공원로208,제9층제905호(화곡동,엔에스타운)
점유인 신호용(임차인)
점유부분 미상(주거)
점유기간 미상
보증금/차임 미상/미상
전입/확정일자 2019.08.30.(전입세대열람내역)/미상

미납관리비 조사내역

확인일자 미납금액 관리소번호 메모

※ 해당 정보는 참고용으로 제공되며 입찰 전 반드시 관리사무소를 통해 직접 확인하시기 바랍니다.

시세분석

인근 낙찰사례

기타

전문가

관할법원 (입찰장소)

서울남부지방법원 본원

경매10계 : 02-2192-1114

서울 양천구 신정동 313-1 주소복사

Q&A

Q. 대법원경매가 무엇인가요?누구나 입찰에 참여할 수 있나요?

경매채무자(빌린 자)가 채무를 갚지 않았을 때 채권자(빌려준 자)의 신청으로 대법원이 채무자의 재산을 대신 매각하는 과정을 말합니다.

법원은 감정인에게 자산을 평가하게 한 후, 최저가를 정하여 그 금액 이상으로 입찰한 입찰자 중 최고가 매수인을 결정합니다.

대법원의 주관하에 국민 모두가 참여할 수 있습니다.

Q. 경매 입찰은 어떻게 하나요?누구나 입찰에 참여할 수 있나요?

1. 입찰하시고자 하는 경매물건을 정하신 후, 입찰하시고자 하는 입찰가를 최저가 이상으로 정합니다.

2. 해당 물건의 매각기일에 직접 관할법원에 방문하셔서 법원내에 비치된 입찰서를 작성하신 후 입찰하시면 됩니다.

TIP! 법원에 가실 때에는 입찰보증금(최저가의 10~30%)과 신분증을 지참하여 방문하세요.

Q. 용어가 너무 어려워서 내용을 이해하기 어려워요누구나 입찰에 참여할 수 있나요?

매각기일
매각기일은 경매 법원이 부동산에 대하여 매각 입찰을 진행하는 날을 말합니다.

유찰
매각 기일에 매수하고자 하는 사람이 없어 매각되지 않아 무효가 되는 것을 유찰이라고 합니다.

최저 매각 가격
최초 경매를 진행할때 감정인이 평가한 가격을 기준으로 책정한 금액이며 입찰자는 최저 매각 가격과 동일하거나 이상의 금액으로 입찰해야 합니다. 매각 기일에 있어 입찰자가 없어 유찰되면 통상 20~30% 저감된 금액이 다음 최저 매각 가격이 됩니다.

매수 보증금
경매 물건을 매수하고자 하는사람은 최저 매각 가격의 10분의 1(다르게 정해질 수 있음)에 해당하는 보증금액을 입찰표와 함께 집행관에게 제출하는 방법으로 제공합니다. 매각 절차가 종결된 후 집행관은 최고가 매수신고인이나 차순위매수신고인 이외의 매수신청인에게는 즉시 매수 보증금을 반환해 줍니다.

더 많은 내용을 알고 싶다면 경매마당 학습하기 코너에 준비된 용어설명을 이용해보세요.

경매정보는 법원자료와 일치하도록 하였으나 권리사항변동, 입력착오 등의 원인으로 사실과 다를 수 있습니다. 이용약관에 의거 면책조건으로 제공됨을 알리며, 경매입찰시 반드시 관련 공부를 재확인하시기 바랍니다.

PC버전으로 보기