알림

알림 내역

알림 신청내역/취소

NEW
상태가 변경되면
알려드려요!
로고 서울남부지방법원 본원 [경매2계] 2024타경105178
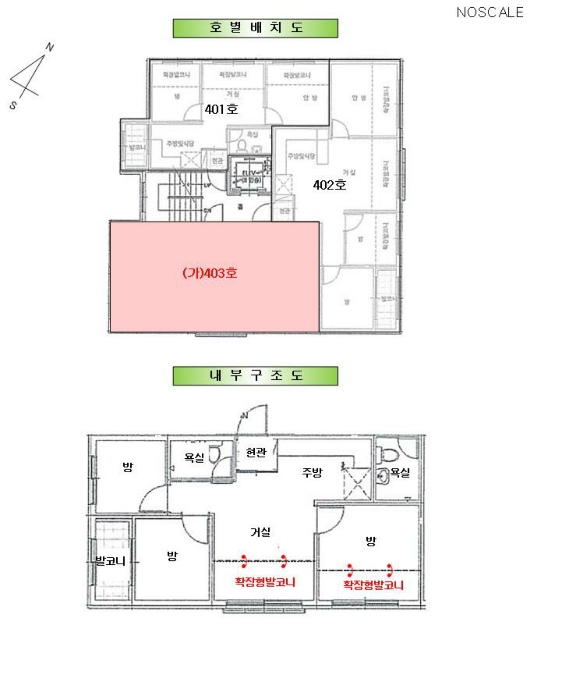
서울특별시 강서구 가로공원로78가길 55, 제4층 제403호 (화곡동, 웰스하이빌)

서울 강서구 화곡동 362-66

주소복사
경매구분 강제경매
용도 다세대
토지 24.2㎡(7.3평)
건물 40.1㎡(12.1평)
감정가 255,000,000원
최저가 130,560,000원
보증금 13,060,000원 (10%)
청구액 235,000,000원
개시결정 2024년 02월 19일
감정일 2024년 02월 29일
배당종기 2024년 05월 23일
매각일 2025년 04월 15일
2024타경105178
2024타경105178
2024타경105178
2024타경105178
2024타경105178
2024타경105178
2024타경105178
2024타경105178
2024타경105178
2024타경105178
감정가
2억5500만원
낙찰가 5%
2억4250만원
배당종결 2025년 04월 15일
유찰 3회선순위임차인임차권등기
유찰 3회선순위임차인임차권등기
경매구분 강제경매
용도 다세대
토지 24.2㎡(7.3평)
건물 40.1㎡(12.1평)
감정가 255,000,000원
최저가 130,560,000원
보증금 13,060,000원 (10%)
청구액 235,000,000원
개시결정 2024년 02월 19일
감정일 2024년 02월 29일
배당종기 2024년 05월 23일
매각일 2025년 04월 15일
배당종결 2025년 04월 15일

당사자 내역

채무자겸소유자 임OO
채권자 유OO
임차인 유OO
가압류권자 주OOOOOOO
압류권자 부OOOO
교부권자 인OOOOOOOO
교부권자 서OOOOOOOO
교부권자 서OOOOOOOO
교부권자 서OOOOOOOO
배당요구권자 주OOOOOOOOO
교부권자 부OOOO
교부권자 국OOOOOOOOOOOOOO
교부권자 경OOOOOO
교부권자 서OOOOOOOO
교부권자 서OOOOOOOO

기일 내역

2025.05.22(15:00)
진행
2025.04.22(14:00)
매각결정기일
2025.04.15(10:00)
2억4250만원 매각
1억3056만원 최저가
2025.03.04(10:00)
1억6320만원 유찰
2025.01.21(10:00)
2억400만원 유찰
2024.11.28(10:00)
2억5500만원 유찰

임차인(매각 명세서)

<비고>
유창재:보증금 235,000,000원 중 8,000,000원은 2021.12.17. 증액되었으며 증액된 부분에 대한 확정일자는 2021.12.22.임

인수되는 권리/가처분(매각 명세서)

매수인에게 대항할 수 있는 임차인이 있음[임대차보증금 235,000,000원(2021.12.17. 8,000,000원 증액), 전입일자 2020.01.17.,
확정일자 2019.12.11.(227,000,000원), 2021.12.22.(8,000,000원)]
배당에서 보증금이 전액 변제되지 아니하면 매수인이 인수함

현황 조사(현황 조사서)

폐문부재로 전입세대확인서 및 주민등록표 등본을 참고하여 조사함.

점유 조사(현황 조사서)

[목록1]이 사건 부동산 현지방문조사 당시 폐문부재로 아무도 만나지 못하여 점유관계 미상임. 별도의 확인이 필요함. 안내문을 출입문에 끼워놓고 우편함에도 넣어 두었음. 덧붙인 전입세대확인서 및 주민등록표등본 에는 소유자 아닌 세대주 임차인 유창재(신청채권자) 세대가 등재 되어 있어 그를 일응 임차인으로 기재함.

매각결과+

매각일자 / 결과 응찰자수 최고가 금액/응찰자명 차순위 금액
부동산
등기
임차인
그 외

부동산

매각목록

※ 건축물 도면은 ‘건축물 대장의 기재 및 관리에 관한 규칙’ 에 따라 현재 경매가 진행중인 물건에만 제공됩니다.
※ 지분물건의 경우 면적은 지분에 해당하는 면적이 아닌 전체 면적으로 표기됩니다

감정평가

감정평가서 요약

1) 위치 및 주위환경 본건은 서울특별시 강서구 화곡동 소재 "월정초등학교" 남동측 인근에 위치하며, 주위는 공동주택, 단독주택, 근린생활시설 등이 소재하여 주위환경은 보통입니다. 2) 교통상황 본건까지 차량접근이 가능하며, 인근 노선버스정류장 및 근거리 지하철역(2호선 및 5호선 까치산역)이 소재하는 등 대중교통 여건은 보통입니다. 3) 건물의 구조 철근콘크리트구조 평스라브지붕 지상6층 건물 중 제 4층 제403호로서 (사용승인일: 2013.12.23) 외벽: 석재타일 붙임 마감 등, 내벽: 몰탈위 페인팅 마감 등, 창호: 세시창호 등입니다. 4) 이용상태 공동주택(도시형 생활주택-단지형 다세대)로 이용중입니다. 5) 설비내역 위생설비, 급배수설비, 승강기 및 난방설비 등이 구비되어 있습니다. 6) 토지의 형상 및 이용상태 2필지 일단의 정방형 토지로서, 주거용(공동주택)건부지로 이용중입니다. 7) 인접 도로상태등 본건 토지 북측으로 약 4미터의 도로와 접하고 있습니다. 8) 토지이용계획 및 제한상태 도시지역 , 제2종일반주거지역(7층이하) , 중요시설물보호지구(공항), 가축사육제한구역(지역경제과 확인 요망)<가축분뇨의 관리 및 이용에 관한 법률>, 수평표면구역(수평표면)<공항시설법>, 대공방어협조구역(위탁고도:77-257m)<군사기지 및 군사시설 보호법>, 소규모주택정비 관리지역<빈집 및 소규모주택 정비에 관한 특례법>, 과밀억제권역<수도권정비계획법> 9) 공부와의 차이 해당 없습니다. 10) 기타참고사항(임대관례 및 기타) 임대관계는 미상입니다.

주변 입주 예정

거리 단지명 공급년월 세대 수
※ 해당 자료는 한국부동산원 청약홈 자료에 근거하며, 인근 5km 이내의 물건을 기준으로 산정되었습니다.

등기

등기부현황

채권합계 3,274,000,000원(2건)
등기일자 권리종류 권리자/채권액 권리
2020-01-17
소유자 임형순 (소유자)
단독소유 -
2022-06-30
(갑9)
압류 부천세무서장 소멸
말소기준 등기 -
2022-09-30
(갑10)
가압류 주택도시보증공사 소멸
- 3,039,000,000원
2024-02-20
(갑11)
강제경매개시결정
(2024타경105178)
유창재 소멸
경매기입 등기 235,000,000원
2024-03-13
(을3)
임차권설정 유창재 소멸
- 235000000원
(2021년12월17일자로금8000000원 증액)
2024-05-14
(갑12)
압류 부천시 소멸
- -
더보기 더보기
※ 신규 발급등기의 분석자료 반영에는 최대 1일까지 소요될수 있습니다.(등기분석,임차인분석,분석노트 등)

임차인

매각물건 명세서

구분 법원 사건번호 작성일자 매각명세서
1 서울남부지법 2024타경105178[1] 2024.11.04
구분 법원/
사건번호
작성일자 매각명세서
1 서울남부지법
2024타경105178[1]
2024.11.04

임차인(매각 명세서)

<비고>
유창재:보증금 235,000,000원 중 8,000,000원은 2021.12.17. 증액되었으며 증액된 부분에 대한 확정일자는 2021.12.22.임

인수되는 권리/가처분(매각 명세서)

매수인에게 대항할 수 있는 임차인이 있음[임대차보증금 235,000,000원(2021.12.17. 8,000,000원 증액), 전입일자 2020.01.17.,
확정일자 2019.12.11.(227,000,000원), 2021.12.22.(8,000,000원)]
배당에서 보증금이 전액 변제되지 아니하면 매수인이 인수함

임차인현황

임차인 보증금/차임 전입/확정/배당 대항력
유창재
(주거임차인)
점유부분:
403호
보증:
235,000,000
차임:
-
전입: 2020-01-17
확정: 2019-12-11
배당: 2024-05-06
-

현황 조사서

조사일시

2024년03월02일12시05분

부동산의 현황

폐문부재로 전입세대확인서 및 주민등록표 등본을 참고하여 조사함.

점유 조사

[목록1]이 사건 부동산 현지방문조사 당시 폐문부재로 아무도 만나지 못하여 점유관계 미상임. 별도의 확인이 필요함. 안내문을 출입문에 끼워놓고 우편함에도 넣어 두었음. 덧붙인 전입세대확인서 및 주민등록표등본 에는 소유자 아닌 세대주 임차인 유창재(신청채권자) 세대가 등재 되어 있어 그를 일응 임차인으로 기재함.

1
소재지 서울특별시강서구가로공원로78가길55,제4층제403호(화곡동,웰스하이빌)
점유인 유창재(임차인)
점유부분 403호(주거)
점유기간 미상
보증금/차임 미상/미상
전입/확정일자 2020.01.17/미상

미납관리비 조사내역

확인일자 미납금액 관리소번호 메모

※ 해당 정보는 참고용으로 제공되며 입찰 전 반드시 관리사무소를 통해 직접 확인하시기 바랍니다.

시세

전문가

그외

관할법원 관할법원 (입찰장소)

서울남부지방법원 본원

경매2계 : 02-2192-1114

서울 양천구 신정동 313-1 주소복사

Q&A Q&A

Q. 대법원경매가 무엇인가요?누구나 입찰에 참여할 수 있나요?

경매채무자(빌린 자)가 채무를 갚지 않았을 때 채권자(빌려준 자)의 신청으로 대법원이 채무자의 재산을 대신 매각하는 과정을 말합니다.

법원은 감정인에게 자산을 평가하게 한 후, 최저가를 정하여 그 금액 이상으로 입찰한 입찰자 중 최고가 매수인을 결정합니다.

대법원의 주관하에 국민 모두가 참여할 수 있습니다.

Q. 경매 입찰은 어떻게 하나요?누구나 입찰에 참여할 수 있나요?

1. 입찰하시고자 하는 경매물건을 정하신 후, 입찰하시고자 하는 입찰가를 최저가 이상으로 정합니다.

2. 해당 물건의 매각기일에 직접 관할법원에 방문하셔서 법원내에 비치된 입찰서를 작성하신 후 입찰하시면 됩니다.

TIP! 법원에 가실 때에는 입찰보증금(최저가의 10~30%)과 신분증을 지참하여 방문하세요.

Q. 용어가 너무 어려워서 내용을 이해하기 어려워요누구나 입찰에 참여할 수 있나요?

매각기일
매각기일은 경매 법원이 부동산에 대하여 매각 입찰을 진행하는 날을 말합니다.

유찰
매각 기일에 매수하고자 하는 사람이 없어 매각되지 않아 무효가 되는 것을 유찰이라고 합니다.

최저 매각 가격
최초 경매를 진행할때 감정인이 평가한 가격을 기준으로 책정한 금액이며 입찰자는 최저 매각 가격과 동일하거나 이상의 금액으로 입찰해야 합니다. 매각 기일에 있어 입찰자가 없어 유찰되면 통상 20~30% 저감된 금액이 다음 최저 매각 가격이 됩니다.

매수 보증금
경매 물건을 매수하고자 하는사람은 최저 매각 가격의 10분의 1(다르게 정해질 수 있음)에 해당하는 보증금액을 입찰표와 함께 집행관에게 제출하는 방법으로 제공합니다. 매각 절차가 종결된 후 집행관은 최고가 매수신고인이나 차순위매수신고인 이외의 매수신청인에게는 즉시 매수 보증금을 반환해 줍니다.

더 많은 내용을 알고 싶다면 경매마당 학습하기 코너에 준비된 용어설명을 이용해보세요.

경매정보는 법원자료와 일치하도록 하였으나 권리사항변동, 입력착오 등의 원인으로 사실과 다를 수 있습니다. 이용약관에 의거 면책조건으로 제공됨을 알리며, 경매입찰시 반드시 관련 공부를 재확인하시기 바랍니다.

PC버전으로 보기
NEW
상태가 변경되면
알려드려요!