알림

알림 내역

알림 신청내역/취소

대법원
물건내역
사건내역
기일내역
송달내역
현황조사
지도
사진보기
문서
매각기일공고문
매각물건명세서
감정평가서
등기부등본
전입세대열람원 M
건축물대장 M
분석
예상배당표 M
수익률분석 M
입찰가분석 M
조회수분석 M
인근지역통계 M
사이트
대법원
국토부 실거래가
토지이음
아실
네이버 단지정보
네이버 매물정보
호갱노노
부동산플래닛
로고 서울남부지방법원 본원 [경매8계] 2024타경110446
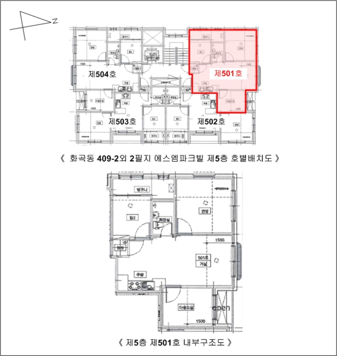
서울특별시 강서구 초록마을로36길 15, 제5층 제501호 (화곡동, 에스엠파크빌)

서울 강서구 화곡동 409-2

주소복사
경매구분 강제경매
용도 다세대
토지 19.1㎡(5.78평)
건물 32.7㎡(9.89평)
감정가 263,000,000원
최저가 210,400,000원
보증금 21,040,000원 (10%)
청구액 255,000,000원
개시결정 2024년 04월 04일
감정일 2024년 04월 12일
배당종기 2024년 07월 04일
매각일 2025년 03월 18일
2024타경110446
2024타경110446
2024타경110446
2024타경110446
2024타경110446
2024타경110446
2024타경110446
2024타경110446
2024타경110446
2024타경110446
2024타경110446
2024타경110446
감정가
2억6300만원
2659만2518원/평
낙찰가 14%
2억2577만원
배당종결 2025년 03월 18일
유찰 1회대항력포기선순위임차인특별매각조건임차권등기
유찰 1회대항력포기선순위임차인특별매각조건임차권등기
경매구분 강제경매
용도 다세대
토지 19.1㎡(5.78평)
건물 32.7㎡(9.89평)
감정가 263,000,000원
최저가 210,400,000원
보증금 21,040,000원 (10%)
청구액 255,000,000원
개시결정 2024년 04월 04일
감정일 2024년 04월 12일
배당종기 2024년 07월 04일
매각일 2025년 03월 18일
배당종결 2025년 03월 18일

당사자 내역

채무자겸소유자 김OO
채권자 주OOOOOOO
임차인 주OOOOOOO
가압류권자 임OO
압류권자 국OOOOOOO
교부권자 국OOOOOOOOOOOO
교부권자 서OOOOOOOO
배당요구권자 주OOOOOOO
주택임차권자 성O

기일 내역

2025.05.01(16:00)
매각
2025.03.25(14:00)
최고가매각허가결정
2025.03.18(10:00)
2억2577만원 매각
2억1040만원 최저가
2025.01.17(10:00)
2억6300만원 유찰

매각공고

물건 비고(공고문)

임차인 및 임차권승계인 주택도시보증공사의 매수인에 대한 대항력 포기조건 매각

물건 비고(매각 명세서)

특별매각조건 : 채권자는 매수인에 대해 배당받지 못하는 잔액에 대한 임대차보증금 반환청구권을 포기하고, 임차권등기를 말
소하는 것을 조건으로 매각

매각결과+

매각일자 / 결과 응찰자수 최고가 금액/응찰자명 차순위 금액

가장 빠른 경매 정보 플랫폼 경매마당
남들보다 먼저 정보를 선점하세요

간단한 로그인 후 바로 이용 가능합니다

bolt 대법원 보다 빠른 물건 정보
verified 가장 많은 경매 물건 제공
trending_up 월 5회 등기부 무료 열람

현황정보

매각목록

부동산 현황

1) 위치 및 주위환경 서울특별시 강서구 화곡동 소재 "화원중학교" 남동측 인근에 위치하며, 주위는 다세대주택, 단독주택, 아파트단지 및 근린생활시설 등이 혼재하는 지역으로서, 제반주위환경은 보통임. 2) 교통상황 본건까지 차량출입이 가능하며, 본건 인근에 노선버스정류장 및 지하철역(까치산역-2ㆍ5호 선)이 소재하여, 대중교통 사정은 보통임. 3) 건물의 구조 철근콘크리트구조 평슬라브지붕 7층 건물 내 제5층 제501호로서, 외벽 : 석재붙임, 타일붙임 및 스톤코트 마감 등, 창호 : 새시창호 등임. 4) 이용상태 도시형생활주택(단지형다세대)으로 이용 중임. 5) 설비내역 기본적인 위생 및 급배수설비, 도시가스에 의한 개별난방설비, 승강기설비 등이 되어 있음. 6) 토지의 형상 및 이용상태 3필일단의 가장형 토지로서, 도시형생활주택 건부지로 이용 중임. 7) 인접 도로상태등 본건 북측 및 동측으로 폭 약 4m 내외의 포장도로와 각각 접함. 8) 토지이용계획 및 제한상태 본건 토지 공히, 제2종일반주거지역(7층이하), 중요시설물보호지구(공항), 가축사육제한구역 (지역경제과 확인 요망), 수평표면구역(수평표면), 상대보호구역(2015-03-24), 대공방어협조 구역(위탁고도:77-257m), 과밀억제권역임. 9) 공부와의 차이 해당사항 없음. 10) 기타참고사항(임대관례 및 기타) 임대사항은 미상임.

주변 입주 예정

거리 단지명 공급년월 세대 수
※ 해당 자료는 한국부동산원 청약홈 자료에 근거하며, 인근 5km 이내의 물건을 기준으로 산정되었습니다.

임차인

임차인현황

임차인 보증금/차임 전입/확정/배당 대항력
주OOOOOOOOOOO
(주거임차인)
점유부분:
전부
보증:
255,000,000
차임:
-
전입: 2020-10-30
확정: 2020-10-12
배당: 2024-07-02
멤버십

임차인(매각 명세서)

<비고>
주택도시보증공사:신청채권자임, 임차인 성은의 임대차보증금반환채권을 양수함

점유 조사(현황 조사서)

[목록1]이 사건 부동산 현장방문조사 당시 폐문부재로 아무도 만나지 못하여 점유관계 미상임. 별도의 확인이 필요함. 안내문을 출입문에 끼워놓았음.
덧붙인 전입세대확인서 및 외국인체류확인서에는 등재자가 없음(다만, 이 사건은 주택도시보증공사가 신청채권자인 사건임).

미납관리비 조사내역 미납관리비 유의사항

확인일자 미납금액 관리소번호 메모

등기

등기부현황

채권합계 6,000,000원(1건)
등기일자 권리종류 권리자/채권액 권리
2021-02-22
소유자 김OOOOOOOO OO
단독소유 -
2021-08-25
(갑5)
압류 국OOOOOOO OO
말소기준 등기 -
2022-12-23
(을5)
임차권설정 성O OO
- 255,000,000원
2023-08-14
(갑6)
가압류 임OO OO
- 6,000,000원
2024-04-04
(갑7)
강제경매개시결정
(2024타경110446)
주OOOOOOO OO
경매기입 등기 255,000,000원
2024-07-09
(갑8)
압류 강OOOOOOOOO OO
- -
더보기
※ 신규 발급등기의 분석자료 반영에는 최대 1일까지 소요될수 있습니다.(등기분석,임차인분석,분석노트 등)

시세분석

낙찰가 및 실거래가

낙찰 가격분포

주변 낙찰사례의 가격대와 거래 시점을 그래프로 확인할 수 있어요

전체 0

기타

전문가

관할법원 (입찰장소)

서울남부지방법원 본원

경매8계 : 02-2192-1114

서울 양천구 신정동 313-1 주소복사

Q&A

Q. 대법원경매가 무엇인가요?누구나 입찰에 참여할 수 있나요?

경매채무자(빌린 자)가 채무를 갚지 않았을 때 채권자(빌려준 자)의 신청으로 대법원이 채무자의 재산을 대신 매각하는 과정을 말합니다.

법원은 감정인에게 자산을 평가하게 한 후, 최저가를 정하여 그 금액 이상으로 입찰한 입찰자 중 최고가 매수인을 결정합니다.

대법원의 주관하에 국민 모두가 참여할 수 있습니다.

Q. 경매 입찰은 어떻게 하나요?누구나 입찰에 참여할 수 있나요?

1. 입찰하시고자 하는 경매물건을 정하신 후, 입찰하시고자 하는 입찰가를 최저가 이상으로 정합니다.

2. 해당 물건의 매각기일에 직접 관할법원에 방문하셔서 법원내에 비치된 입찰서를 작성하신 후 입찰하시면 됩니다.

TIP! 법원에 가실 때에는 입찰보증금(최저가의 10~30%)과 신분증을 지참하여 방문하세요.

Q. 용어가 너무 어려워서 내용을 이해하기 어려워요누구나 입찰에 참여할 수 있나요?

매각기일
매각기일은 경매 법원이 부동산에 대하여 매각 입찰을 진행하는 날을 말합니다.

유찰
매각 기일에 매수하고자 하는 사람이 없어 매각되지 않아 무효가 되는 것을 유찰이라고 합니다.

최저 매각 가격
최초 경매를 진행할때 감정인이 평가한 가격을 기준으로 책정한 금액이며 입찰자는 최저 매각 가격과 동일하거나 이상의 금액으로 입찰해야 합니다. 매각 기일에 있어 입찰자가 없어 유찰되면 통상 20~30% 저감된 금액이 다음 최저 매각 가격이 됩니다.

매수 보증금
경매 물건을 매수하고자 하는사람은 최저 매각 가격의 10분의 1(다르게 정해질 수 있음)에 해당하는 보증금액을 입찰표와 함께 집행관에게 제출하는 방법으로 제공합니다. 매각 절차가 종결된 후 집행관은 최고가 매수신고인이나 차순위매수신고인 이외의 매수신청인에게는 즉시 매수 보증금을 반환해 줍니다.

더 많은 내용을 알고 싶다면 경매마당 학습하기 코너에 준비된 용어설명을 이용해보세요.

경매정보는 법원자료와 일치하도록 하였으나 권리사항변동, 입력착오 등의 원인으로 사실과 다를 수 있습니다. 이용약관에 의거 면책조건으로 제공됨을 알리며, 경매입찰시 반드시 관련 공부를 재확인하시기 바랍니다.

PC버전으로 보기