알림

알림 내역

알림 신청내역/취소

대법원
물건내역
사건내역
기일내역
송달내역
현황조사
지도
사진보기
문서
매각기일공고문
매각물건명세서
감정평가서
등기부등본
전입세대열람원 M
건축물대장 M
분석
예상배당표 M
수익률분석 M
입찰가분석 M
조회수분석 M
인근지역통계 M
사이트
대법원
국토부 실거래가
토지이음
아실
네이버 단지정보
네이버 매물정보
호갱노노
부동산플래닛
로고 서울남부지방법원 본원 [경매16계] 2024타경126885
서울특별시 강서구 강서로16길 83, 제3층 제303호 (화곡동, 청송평화헬스하우스)

서울 강서구 화곡동 157-6

주소복사
경매구분 강제경매
용도 다세대
토지 20.53㎡(6.21평)
건물 29.86㎡(9.03평)
감정가 261,000,000원
최저가 167,040,000원
보증금 16,704,000원 (10%)
청구액 206,000,000원
개시결정 2024년 07월 16일
감정일 2024년 07월 31일
배당종기 2024년 10월 17일
매각일 2025년 07월 24일
2024타경126885
2024타경126885
2024타경126885
2024타경126885
2024타경126885
2024타경126885
2024타경126885
2024타경126885
2024타경126885
2024타경126885
감정가
2억6100만원
낙찰가 32%
1억7700만170원
배당종결 2025년 07월 24일
유찰 2회선순위임차인대항력포기임차권등기
유찰 2회선순위임차인대항력포기임차권등기
경매구분 강제경매
용도 다세대
토지 20.53㎡(6.21평)
건물 29.86㎡(9.03평)
감정가 261,000,000원
최저가 167,040,000원
보증금 16,704,000원 (10%)
청구액 206,000,000원
개시결정 2024년 07월 16일
감정일 2024년 07월 31일
배당종기 2024년 10월 17일
매각일 2025년 07월 24일
배당종결 2025년 07월 24일

당사자 내역

채무자겸소유자 진OO
채권자 주OOOOOOO
주택임차권자 주OOOOOOO
주택임차권자 이OO
배당요구권자 신OOOOOOOO
교부권자 서OOOOOOOOO
교부권자 서OOOOOOOO
교부권자 양OOOO
교부권자 서OOOOOOOO
교부권자 서OOOOOOOO
교부권자 서OOOOOOOO
교부권자 강OOOO
교부권자 서OOOOOOOOO
교부권자 서OOOO
압류권자 주OOOOOOO
압류권자 양OOOO
압류권자 서OOOOOOOOO
압류권자 서OOOO
압류권자 강OOOO
압류권자 서OOOOOOOO
가압류권자 주OOOOOOO
임차인 이OO
근저당권자 서OOOO

기일 내역

2025.09.05(15:00)
납부
2025.07.31(14:00)
최고가매각허가결정
2025.07.24(10:00)
1억7700만170원 매각
1억6704만원 최저가
2025.06.19(10:00)
2억880만원 유찰
2025.05.13(10:00)
기일변경
2025.03.25(10:00)
2억6100만원 유찰

매각공고

물건 비고(공고문)

임차인 및 임차권승계인 주택도시보증공사의 매수인에 대한 대항력 포기조건 매각

임차인(매각 명세서)

<비고>
주택도시보증공사:신청채권자 겸 확정일자부 임차인 이지현의 승계인임

물건 비고(매각 명세서)

채권자는 매수인에 대해 배당받지 못하는 잔액에 대한 임대차보증금 반환청구권을 포기하고, 임차권등기를 말소하는 것을 조
건으로 매각

점유 조사(현황 조사서)

[목록1]이 사건 부동산 현지방문조사 당시 폐문부재로 아무도 만나지 못하여 점유관계 미상이므로 별도의 확인이 필요함. 안내문을 출입문에 끼워놓고 우편함에도 넣어 두었음. 덧붙인 전입세대확인서 및 주민등록표등본에는 소유자 아닌 세대주 이선희 세대가 등재 되어 있어 그를 일응 임차인으로 기재함. 덧붙인 외국인체류확인서에는 등재자가 없음

매각결과+

매각일자 / 결과 응찰자수 최고가 금액/응찰자명 차순위 금액

현황정보

매각목록

부동산 현황

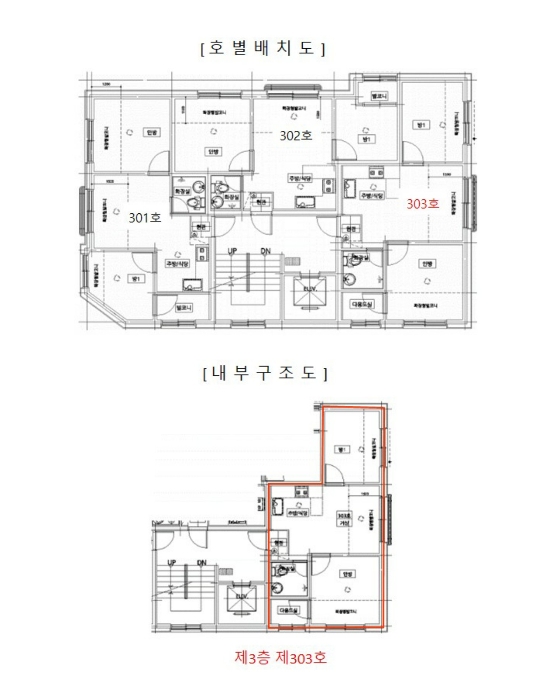
1) 위치 및 주위환경 본건은 서울특별시 강서구 화곡동 소재 "서울신정초등학교" 북서측 인근에 위치하며, 주위환경은 다세대주택 및 소규모근린생활시설 등이 소재하는 지역이며 주위환경은 보통임. 2) 교통상황 본건까지 차량접근 가능하고, 인근에 버스정류장 및 지하철2,5호선 "까치산역" 등이 소재하는 등 제반 교통상황은 보통시됨. 3) 건물의 구조 철근콘크리트구조 평슬라브지붕 5층건 내 제3층 제303호로서, 외벽 : 석재 붙임 등임. 내벽 : -. 창호 : 샷시창호 등임. 4) 이용상태 본건은 다세대주택으로 이용중임. 5) 설비내역 일반적인 위생설비, 급배수설비, 도시가스에 의한 난방설비, 엘리베이터 등이 되어있음. 6) 토지의 형상 및 이용상태 완경사의 장방형 토지로서 주거용(다세대주택)의 건부지로 이용중임. 7) 인접 도로상태등 본건 남측 및 서측으로 포장도로에 접함. 8) 토지이용계획 및 제한상태 도시지역, 제2종일반주거지역(7층이하), 중요시설물보호지구(공항), 가축사육제한구역(지역경제과 확인 요망)<가축분뇨의 관리 및 이용에 관한 법률>, 원추표면구역(원추표면)<공항시설법>, 상대보호구역(강서교육지원청 반드시 확인요망)<교육환경 보호에 관한 법률>, 대공방어협조구역(위탁고도:77-257m)<군사기지 및 군사시설 보호법>, 과밀억제권역<수도권정비계획법> 9) 공부와의 차이 없 음. 10) 기타참고사항(임대관례 및 기타) 1. 임대관계는 미상임. 2. 본건의 내부구조도는 현장조사 당시 이해관계인의 폐문부재로 인하여 건축물대장상 건축물현황도와 외부관찰, 탐문조사 등을 통하여 표기하였으니 경매참여시 재확인하시기 바람.

주변 입주 예정

거리 단지명 공급년월 세대 수
※ 해당 자료는 한국부동산원 청약홈 자료에 근거하며, 인근 5km 이내의 물건을 기준으로 산정되었습니다.

등기

등기부현황

채권합계 4,601,450,000원(2건)
등기일자 권리종류 권리자/채권액 권리
2018-12-03
소유자 OOOO
단독소유 -
2020-04-08
(갑3)
압류 OOOO 소멸
말소기준 등기 -
2020-05-18
(갑4)
가압류 OOOO 소멸
- 4,566,000,000원
2020-06-15
(갑5)
압류 OOOO 소멸
- -
2020-10-07
(을5)
임차권설정 OOOO 소멸
- 206,000,000원
2021-02-02
(갑6)
압류 OOOO 소멸
- -
2021-03-10
(을6)
근저당권설정 OOOO 소멸
- 35,459,300원
2021-04-22
(갑7)
압류 OOOO 소멸
- -
2021-07-06
(갑8)
강제관리신청 OOOO 소멸
- -
2021-12-13
(갑10)
압류 OOOO 소멸
- -
2024-07-16
(갑12)
강제경매개시결정
(2024타경126885)
OOOO 소멸
경매기입 등기 206,000,000원
더보기
※ 신규 발급등기의 분석자료 반영에는 최대 1일까지 소요될수 있습니다.(등기분석,임차인분석,분석노트 등)

임차인

매각물건 명세서

구분 법원 사건번호 작성일자 매각명세서
1 서울남부지법 2024타경126885[1] 2025. 4. 22.
2 서울남부지법 2024타경126885[1] 2025. 3. 4.
구분 법원/
사건번호
작성일자 매각명세서
1 서울남부지법
2024타경126885[1]
2025. 4. 22.
2 서울남부지법
2024타경126885[1]
2025. 3. 4.

임차인(매각 명세서)

<비고>
주택도시보증공사:신청채권자 겸 확정일자부 임차인 이지현의 승계인임

물건 비고(매각 명세서)

채권자는 매수인에 대해 배당받지 못하는 잔액에 대한 임대차보증금 반환청구권을 포기하고, 임차권등기를 말소하는 것을 조
건으로 매각

임차인현황

임차인 보증금/차임 전입/확정/배당 대항력
[현황조사]
이선희
(주거임차인)
점유부분:
미상
보증:
-
차임:
-
전입: 2021-09-14
확정: -
배당: -
멤버십
주택도시보증공사[이지현]
(주거주택임차권자)
점유부분:
전부
보증:
206,000,000
차임:
-
전입: 2018-12-03
확정: 2018-12-03
배당: 2024.10.10.
멤버십

현황 조사서

조사일시

2024년07월25일12시48분

부동산의 현황

-

점유 조사

[목록1]이 사건 부동산 현지방문조사 당시 폐문부재로 아무도 만나지 못하여 점유관계 미상이므로 별도의 확인이 필요함. 안내문을 출입문에 끼워놓고 우편함에도 넣어 두었음. 덧붙인 전입세대확인서 및 주민등록표등본에는 소유자 아닌 세대주 이선희 세대가 등재 되어 있어 그를 일응 임차인으로 기재함. 덧붙인 외국인체류확인서에는 등재자가 없음

1
소재지 서울특별시 강서구 강서로16길 83, 제3층 제303호 (화곡동, 청송평화헬스하우스)
점유인 이선희(임차인)
점유부분 미상(주거)
점유기간 미상
보증금/차임 미상/미상
전입/확정일자 2021.09.14/미상

미납관리비 조사내역

확인일자 미납금액 관리소번호 메모

※ 해당 정보는 참고용으로 제공되며 입찰 전 반드시 관리사무소를 통해 직접 확인하시기 바랍니다.

시세분석

기타

전문가

관할법원 (입찰장소)

서울남부지방법원 본원

경매16계 : 02-2192-1114

서울 양천구 신정동 313-1 주소복사

Q&A

Q. 대법원경매가 무엇인가요?누구나 입찰에 참여할 수 있나요?

경매채무자(빌린 자)가 채무를 갚지 않았을 때 채권자(빌려준 자)의 신청으로 대법원이 채무자의 재산을 대신 매각하는 과정을 말합니다.

법원은 감정인에게 자산을 평가하게 한 후, 최저가를 정하여 그 금액 이상으로 입찰한 입찰자 중 최고가 매수인을 결정합니다.

대법원의 주관하에 국민 모두가 참여할 수 있습니다.

Q. 경매 입찰은 어떻게 하나요?누구나 입찰에 참여할 수 있나요?

1. 입찰하시고자 하는 경매물건을 정하신 후, 입찰하시고자 하는 입찰가를 최저가 이상으로 정합니다.

2. 해당 물건의 매각기일에 직접 관할법원에 방문하셔서 법원내에 비치된 입찰서를 작성하신 후 입찰하시면 됩니다.

TIP! 법원에 가실 때에는 입찰보증금(최저가의 10~30%)과 신분증을 지참하여 방문하세요.

Q. 용어가 너무 어려워서 내용을 이해하기 어려워요누구나 입찰에 참여할 수 있나요?

매각기일
매각기일은 경매 법원이 부동산에 대하여 매각 입찰을 진행하는 날을 말합니다.

유찰
매각 기일에 매수하고자 하는 사람이 없어 매각되지 않아 무효가 되는 것을 유찰이라고 합니다.

최저 매각 가격
최초 경매를 진행할때 감정인이 평가한 가격을 기준으로 책정한 금액이며 입찰자는 최저 매각 가격과 동일하거나 이상의 금액으로 입찰해야 합니다. 매각 기일에 있어 입찰자가 없어 유찰되면 통상 20~30% 저감된 금액이 다음 최저 매각 가격이 됩니다.

매수 보증금
경매 물건을 매수하고자 하는사람은 최저 매각 가격의 10분의 1(다르게 정해질 수 있음)에 해당하는 보증금액을 입찰표와 함께 집행관에게 제출하는 방법으로 제공합니다. 매각 절차가 종결된 후 집행관은 최고가 매수신고인이나 차순위매수신고인 이외의 매수신청인에게는 즉시 매수 보증금을 반환해 줍니다.

더 많은 내용을 알고 싶다면 경매마당 학습하기 코너에 준비된 용어설명을 이용해보세요.

경매정보는 법원자료와 일치하도록 하였으나 권리사항변동, 입력착오 등의 원인으로 사실과 다를 수 있습니다. 이용약관에 의거 면책조건으로 제공됨을 알리며, 경매입찰시 반드시 관련 공부를 재확인하시기 바랍니다.

PC버전으로 보기