알림

알림 내역

알림 신청내역/취소

로고 서울남부지방법원 본원 [경매15계] 2024타경130433
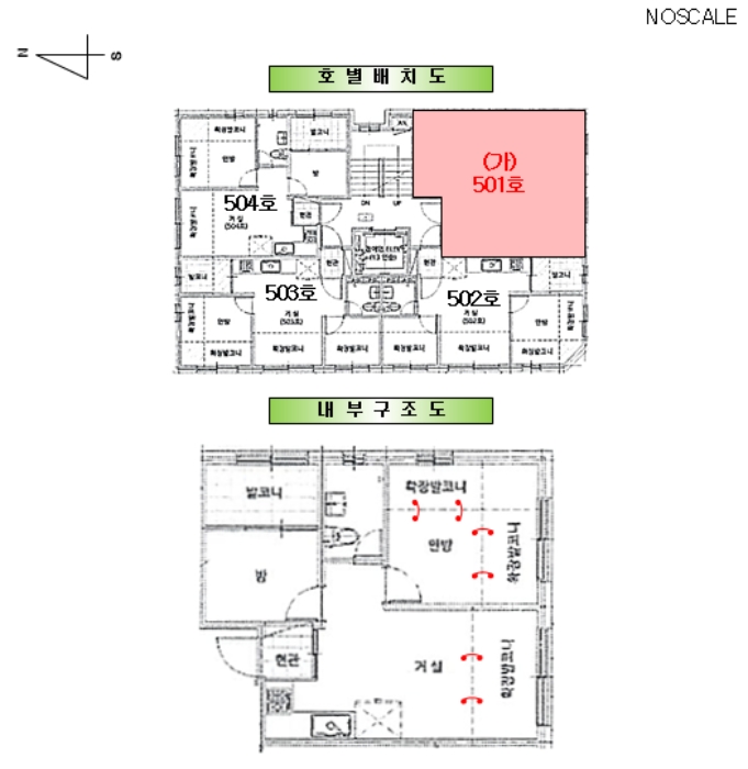
서울특별시 강서구 화곡로13길 90-45, 제5층 제501호 (화곡동, 동우하이빌)

서울 강서구 화곡동 1017-24

주소복사
경매구분 강제경매
용도 다세대
토지 17.21㎡(5.2평)
건물 29.06㎡(8.8평)
감정가 256,000,000원
최저가 256,000,000원
보증금 25,600,000원 (10%)
청구액 265,278,142원
개시결정 2024년 08월 09일
감정일 2024년 08월 24일
배당종기 2024년 11월 11일
매각일 2026년 01월 28일
2024타경130433
2024타경130433
2024타경130433
2024타경130433
2024타경130433
2024타경130433
2024타경130433
2024타경130433
2024타경130433
2024타경130433
감정가
2억5600만원
최저가
2억5600만원
공고 2026년 01월 28일 입찰 D-69일
유찰 3회임차권등기선순위임차인
유찰 3회임차권등기선순위임차인
경매구분 강제경매
용도 다세대
토지 17.21㎡(5.2평)
건물 29.06㎡(8.8평)
감정가 256,000,000원
최저가 256,000,000원
보증금 25,600,000원 (10%)
청구액 265,278,142원
개시결정 2024년 08월 09일
감정일 2024년 08월 24일
배당종기 2024년 11월 11일
매각일 2026년 01월 28일
공고 2026년 01월 28일 입찰 D-69일

당사자 내역

채무자겸소유자 문OO
채권자 한OOOOOOO
교부권자 국OOOOOOOOOOOO
배당요구권자 신OOOOOOOO
주택임차권자 한OOOOOOO
교부권자 강OOOO
교부권자 송OOOO
교부권자 서OOOOOOOO
교부권자 서OOOOOOOO
주택임차권자 김OO

기일 내역

2026.01.28(10:00)
2억5600만원 진행
2025.12.03(10:00)
기일변경
2025.10.20(10:00)
1억6384만원 유찰
2025.09.10(10:00)
2억480만원 유찰
2025.07.23(10:00)
2억5600만원 유찰

물건 비고(공고문)

임차인 김의혁의 승계인 한국주택금융공사는 매수인에 대하여 배당받지 못하는 잔액에 대한 임대차보증금반환채권을 포기하고, 주택임대권등기를 말소하는 것을 조건으로 매각

임차인(매각 명세서)

<비고>
한국주택금융공사:신청채권자로서 주택임차권자 김의혁(주택임차권등기일은 2023.10.12.임)의 임대차보증금반환채권 승계인임.

인수되는 권리/가처분(매각 명세서)

매수인에게 대항할 수 있는 임차인이 있음(임대차보증금 248,800,000원, 전입일자 2022.5.31., 확정일자 2022.4.14.) 배당에서
보증금이 전액 변제되지 아니하면 매수인이 인수함

점유 조사(현황 조사서)

[목록1]현황조사차 현장을 방문하였으나 폐문부재로 아무도 만나지 못하여 점유관계는 미상이며, 안내문을 출입문에 끼워놓았음. 덧붙인 전입세대확인서 및 외국인체류확인서에는 각 등재자가 없음

매각결과+

매각일자 / 결과 응찰자수 최고가 금액/응찰자명 차순위 금액
부동산
등기
임차인
그 외

부동산

매각목록

부동산 현황

1) 위치 및 주위환경 본건은 서울특별시 강서구 화곡동 소재 지하철 5호선"우장산역"남서측 인근에 위치하며, 주위는 단독주택, 다세대주택 및 근린생활시설 등이 소재하고 있습니다. 2) 교통상황 본건까지 차량출입이 가능하며, 인근에 버스정류장 및 지하철역(5호선 "우장산역" 및 "화곡역")이 소재하는 등 제반 교통요건은 보통입니다. 3) 건물의 구조 철근콘크리트구조 평스라브지붕 7층 건물 내 제5층 제501호로 외벽: 돌붙임 마감 등, 창호: 알루미늄 및 PVC창호 등 입니다. 4) 이용상태 도시형생활주택(단지형다세대)으로 이용중 입니다. 5) 설비내역 본건은 기본적인 위생 및 급배수설비, 난방설비, 소화전설비, 승강기설비 등을 갖추고 있습니다. 6) 토지의 형상 및 이용상태 2필지 일단의 세장형 토지로서, 도시형생활주택(단지형다세대)의 건부지로 이용중 입니다. 7) 인접 도로상태등 본건 남측으로 폭 약 6m 내외의 포장도로, 서측으로 폭 약 4m 내외의 계단연결 포장도로와 접하고 있습니다. 8) 토지이용계획 및 제한상태 도시지역, 제2종일반주거지역(7층이하), 중요시설물보호지구(공항), 가축사육제한구역(지역경제과 확인 요망)<가축분뇨의 관리 및 이용에 관한 법률>, 수평표면구역(수평표면)<공항시설법>, 대공방어협조구역(위탁고도:77-257m)<군사기지 및 군사시설 보호법>, 과밀억제권역<수도권정비계획법> 9) 공부와의 차이 없습니다. 10) 기타참고사항(임대관례 및 기타) 임대미상입니다.

감정평가

주변 입주 예정

거리 단지명 공급년월 세대 수
※ 해당 자료는 한국부동산원 청약홈 자료에 근거하며, 인근 5km 이내의 물건을 기준으로 산정되었습니다.

등기

등기부현황

채권합계 265,270,000원(1건)
등기일자 권리종류 권리자/채권액 권리
2018-11-30
소유자 문초승 (소유자) 멤버십
단독소유 -
2022-11-24
(갑2-1)
약정/금지사항/환매특약 멤버십
- 이 주택은 민간임대주택에 관한 특별법 제43조제1항에 따라 임대사업자가 임대의무기간 동안 계속 임대해야 하고 같은 법 제44조의 임대료 증액기준을 준수해야 하는 민간임대주택임
2023-10-12
(을3)
임차권설정 김의혁 멤버십
- 248,800,000원
2024-08-12
(갑7)
강제경매개시결정
(2024타경130433)
한국주택금융공사 멤버십
말소기준
경매기입 등기
265,278,142원
더보기 더보기
※ 신규 발급등기의 분석자료 반영에는 최대 1일까지 소요될수 있습니다.(등기분석,임차인분석,분석노트 등)

임차인

매각물건 명세서

구분 법원 사건번호 작성일자 매각명세서
1 서울남부지법 2024타경130433[1] 2025. 6. 13.
구분 법원/
사건번호
작성일자 매각명세서
1 서울남부지법
2024타경130433[1]
2025. 6. 13.

임차인(매각 명세서)

<비고>
한국주택금융공사:신청채권자로서 주택임차권자 김의혁(주택임차권등기일은 2023.10.12.임)의 임대차보증금반환채권 승계인임.

인수되는 권리/가처분(매각 명세서)

매수인에게 대항할 수 있는 임차인이 있음(임대차보증금 248,800,000원, 전입일자 2022.5.31., 확정일자 2022.4.14.) 배당에서
보증금이 전액 변제되지 아니하면 매수인이 인수함

임차인현황

임차인 보증금/차임 전입/확정/배당 대항력
김의혁
(주거주택임차권자)
점유부분:
전부
보증:
248,800,000
차임:
-
전입: 2022-05-31
확정: 2022-04-14
배당: -
멤버십
한국주 택금융 공사
(주거주택임차권자)
점유부분:
전부
보증:
248,800,000
차임:
-
전입: 2022-05-31
확정: 2022-04-14
배당: -
멤버십

현황 조사서

조사일시

2024년08월22일11시11분

부동산의 현황

-

점유 조사

[목록1]현황조사차 현장을 방문하였으나 폐문부재로 아무도 만나지 못하여 점유관계는 미상이며, 안내문을 출입문에 끼워놓았음. 덧붙인 전입세대확인서 및 외국인체류확인서에는 각 등재자가 없음

미납관리비 조사내역

확인일자 미납금액 관리소번호 메모

※ 해당 정보는 참고용으로 제공되며 입찰 전 반드시 관리사무소를 통해 직접 확인하시기 바랍니다.

시세

전문가

그외

관할법원 관할법원 (입찰장소)

서울남부지방법원 본원

경매15계 : 02-2192-1114

서울 양천구 신정동 313-1 주소복사

Q&A Q&A

Q. 대법원경매가 무엇인가요?누구나 입찰에 참여할 수 있나요?

경매채무자(빌린 자)가 채무를 갚지 않았을 때 채권자(빌려준 자)의 신청으로 대법원이 채무자의 재산을 대신 매각하는 과정을 말합니다.

법원은 감정인에게 자산을 평가하게 한 후, 최저가를 정하여 그 금액 이상으로 입찰한 입찰자 중 최고가 매수인을 결정합니다.

대법원의 주관하에 국민 모두가 참여할 수 있습니다.

Q. 경매 입찰은 어떻게 하나요?누구나 입찰에 참여할 수 있나요?

1. 입찰하시고자 하는 경매물건을 정하신 후, 입찰하시고자 하는 입찰가를 최저가 이상으로 정합니다.

2. 해당 물건의 매각기일에 직접 관할법원에 방문하셔서 법원내에 비치된 입찰서를 작성하신 후 입찰하시면 됩니다.

TIP! 법원에 가실 때에는 입찰보증금(최저가의 10~30%)과 신분증을 지참하여 방문하세요.

Q. 용어가 너무 어려워서 내용을 이해하기 어려워요누구나 입찰에 참여할 수 있나요?

매각기일
매각기일은 경매 법원이 부동산에 대하여 매각 입찰을 진행하는 날을 말합니다.

유찰
매각 기일에 매수하고자 하는 사람이 없어 매각되지 않아 무효가 되는 것을 유찰이라고 합니다.

최저 매각 가격
최초 경매를 진행할때 감정인이 평가한 가격을 기준으로 책정한 금액이며 입찰자는 최저 매각 가격과 동일하거나 이상의 금액으로 입찰해야 합니다. 매각 기일에 있어 입찰자가 없어 유찰되면 통상 20~30% 저감된 금액이 다음 최저 매각 가격이 됩니다.

매수 보증금
경매 물건을 매수하고자 하는사람은 최저 매각 가격의 10분의 1(다르게 정해질 수 있음)에 해당하는 보증금액을 입찰표와 함께 집행관에게 제출하는 방법으로 제공합니다. 매각 절차가 종결된 후 집행관은 최고가 매수신고인이나 차순위매수신고인 이외의 매수신청인에게는 즉시 매수 보증금을 반환해 줍니다.

더 많은 내용을 알고 싶다면 경매마당 학습하기 코너에 준비된 용어설명을 이용해보세요.

경매정보는 법원자료와 일치하도록 하였으나 권리사항변동, 입력착오 등의 원인으로 사실과 다를 수 있습니다. 이용약관에 의거 면책조건으로 제공됨을 알리며, 경매입찰시 반드시 관련 공부를 재확인하시기 바랍니다.

PC버전으로 보기