알림

알림 내역

알림 신청내역/취소

로고 수원지방법원 평택지원 [경매7계] 2024타경2614
경기도 평택시 관광특구로 30, 3층306호 (서정동,화신노블레스4차)

경기 평택시 서정동 847-1

주소복사
경매구분 임의경매
용도 상가
토지 8.82㎡(2.7평)
건물 64.02㎡(19.4평)
감정가 379,000,000원
최저가 63,699,000원
보증금 6,370,000원 (10%)
청구액 122,437,640원
개시결정 2024년 06월 11일
감정일 2024년 06월 25일
배당종기 2024년 09월 10일
매각일 2025년 10월 28일
2024타경2614
2024타경2614
2024타경2614
2024타경2614
2024타경2614
2024타경2614
2024타경2614
2024타경2614
2024타경2614
2024타경2614
2024타경2614
2024타경2614
2024타경2614
2024타경2614
2024타경2614
2024타경2614
2024타경2614
감정가
3억7900만원
낙찰가 78%
8300만원
매각 2025년 10월 28일
유찰 5회
유찰 5회
경매구분 임의경매
용도 상가
토지 8.82㎡(2.7평)
건물 64.02㎡(19.4평)
감정가 379,000,000원
최저가 63,699,000원
보증금 6,370,000원 (10%)
청구액 122,437,640원
개시결정 2024년 06월 11일
감정일 2024년 06월 25일
배당종기 2024년 09월 10일
매각일 2025년 10월 28일
매각 2025년 10월 28일

당사자 내역

채무자겸소유자 박OO
채권자 엠OOOOOOOOOOOOOOOOOOOOOOO
승계인 엠OOOOOOOOOO
교부권자 평OOOO
교부권자 평OO
저당권부질권자 느OOOOOOOOOOO
근저당권자 국OOOOOOOO
임차인 김OO

기일 내역

2025.10.28(10:00)
8300만원 매각
6369만9000원 최저가
2025.09.23(10:00)
9099만8000원 유찰
2025.08.19(10:00)
1억2999만7000원 유찰
2025.07.15(10:00)
1억8571만원 유찰
2025.06.10(10:00)
2억6530만원 유찰
2025.03.18(10:00)
3억7900만원 유찰

물건 비고(공고문)

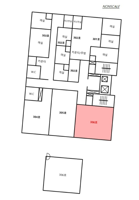
305호와 경계벽 없이 일단으로 인터넷컴퓨터게임시설제공업소로 이용 중이므로 매수시 확인 요함.

물건 비고(매각 명세서)

305호와 경계벽 없이 일단으로 인터넷컴퓨터게임시설제공업소로 이용 중이므로 매수시 확인 요함.

현황 조사(현황 조사서)

* 본건 부동산은 집합건물인 화신노블레스4차 12층 업무시설(오피스텔) * 위 임차인 등록은 상가건물임대차 현황서에 의한 것임.

점유 조사(현황 조사서)

[목록1]* 현지 출장 시 점유중인 김상일을 면담하였는바, `이곳(306호)과 305호를 임차하여(보증금 1천만원, 차임 90만원) `VIVA게임랜드`를 운영하고 있고 달리 임차인은 없다`고 함.
* 평택세무서에 상가건물 임대차정보 제공요청 결과 1인이 등재되어 있음. 상가건물임대차 현황서 첨부

매각결과+

매각일자 / 결과 응찰자수 최고가 금액/응찰자명 차순위 금액
부동산
등기
임차인
그 외

부동산

매각목록

※ 건축물 도면은 ‘건축물 대장의 기재 및 관리에 관한 규칙’ 에 따라 현재 경매가 진행중인 물건에만 제공됩니다.
※ 지분물건의 경우 면적은 지분에 해당하는 면적이 아닌 전체 면적으로 표기됩니다

감정평가

감정평가서 요약

1) 위치 및 주위환경 본건은 경기도 평택시 서정동 소재 "평택시청 송탄출장소" 서측 인근에 위치하며, 본건 주변은 상업용 및 업무용 건물 등이 밀집된 대로변지대임. 2) 교통상황 본건 소재 건물까지 차량접근이 가능하고, 인근에 노선버스 정류장, 근거리에 전철역이 위치하고 있어, 대중교통 이용의 편의성은 무난한편임. 3) 건물의 구조 철근콘크리트구조 (철근)콘크리트지붕 지상12층, 지하4층의 건물 중 3층 306호로서, 외벽 : 대리석 등 마감(별지 사진 참조) 내벽 : 몰탈위 페인팅 등 마감 창호 : 샤시창호임 (사용승인일자 : 2016.04.21) 4) 이용상태 -. 인접한 305호와 일단으로 제2종근린생활시설(인터넷컴퓨터게임시설제공업소)로 이용 중임. (본건 조사 당시 거주인의 의견제시 등의 사정으로 내부조사를 하지못하여, 외부관찰, 탐문, 공부상의 도면확인 등의 방법으로 조사하였으므로, 경매 진행시 참고하시기 바랍니다.) 5) 설비내역 승강기, 급·배수설비, 위생설비, 소화전 및 화재탐지설비, 지하주차장 등이 설비되어 있음. 6) 토지의 형상 및 이용상태 세장형, 평지에 유사한 완경사로서, 건부지(근린생활시설 및 오피스텔)로 이용중임. 7) 인접 도로상태등 본건 소재 토지 북측 및 남측에서 포장도로와 각각 접합. 8) 토지이용계획 및 제한상태 -.일반상업지역, 지구단위계획구역(서정지구), 대로2류(폭 30m-35m)(접합), 소로3류(폭 8m 미만)(접합), 가축사육제한구역(전부제한구역)<가축분뇨의 관리 및 이용에 관한 법률>, 관광특구(송탄)<관광진흥법>, 비행안전제6구역(전술)(비행안전제6구역 해발56m-140m미만 협의업무위탁 <군사기지 및 군사시설 보호법>. 9) 공부와의 차이 -. 10) 기타참고사항(임대관례 및 기타) · 임대관계 : 미상임.

단지정보

화신노블레스4차
시공사 다인종합건설(주) 총 주차 대수 62대 (세대당1.29대)
사용승인 2016년 04월 21일(10년차) 동/세대 1동/48세대
관리실 - 최고층 12층
면적 122A㎡, 122B㎡, 123C㎡, 123D㎡, 123E㎡, 123F㎡

주변 입주 예정

거리 단지명 공급년월 세대 수
※ 해당 자료는 한국부동산원 청약홈 자료에 근거하며, 인근 5km 이내의 물건을 기준으로 산정되었습니다.

등기

등기부현황

채권합계 647,500,000원(2건)
등기일자 권리종류 권리자/채권액 권리
2019-09-04
소유자 박상득 (소유자)
단독소유 -
2019-09-04
(을1)
근저당권설정 신천새마을금고 소멸
말소기준 등기 195,600,000원
2024-11-06
(을1-1)
근저당권이전 엠씨아이대부주식회사 소멸
- -
2024-11-06
(을1-2)
근질권 느티나무제삼차유한회사 소멸
- 195,600,000원
2019-10-23
(을2)
근저당권설정 안산세무서 소멸
- 451,900,000원
2024-06-11
(갑10)
임의경매개시결정
(2024타경2614)
신천새마을금고 소멸
경매기입 등기 122,437,640원
더보기 더보기
※ 신규 발급등기의 분석자료 반영에는 최대 1일까지 소요될수 있습니다.(등기분석,임차인분석,분석노트 등)

임차인

매각물건 명세서

구분 법원 사건번호 작성일자 매각명세서
1 평택지원 2024타경2614[1] 2025. 10. 24.
2 평택지원 2024타경2614[1] 2025. 8. 20.
3 평택지원 2024타경2614[1] 2025. 8. 4.
4 평택지원 2024타경2614[1] 2025. 6. 25.
5 평택지원 2024타경2614[1] 2025. 5. 22.
6 평택지원 2024타경2614[1] 2025. 2. 26.
구분 법원/
사건번호
작성일자 매각명세서
1 평택지원
2024타경2614[1]
2025. 10. 24.
2 평택지원
2024타경2614[1]
2025. 8. 20.
3 평택지원
2024타경2614[1]
2025. 8. 4.
4 평택지원
2024타경2614[1]
2025. 6. 25.
5 평택지원
2024타경2614[1]
2025. 5. 22.
6 평택지원
2024타경2614[1]
2025. 2. 26.

물건 비고(매각 명세서)

305호와 경계벽 없이 일단으로 인터넷컴퓨터게임시설제공업소로 이용 중이므로 매수시 확인 요함.

임차인현황

임차인 보증금/차임 전입/확정/배당 대항력
[현황조사]
김상일
(점포 임차인)
점유부분:
306호 전부
보증:
10,000,000
차임:
900,000
사업: 2024-03-13
확정: 미상
배당: -
없음

현황 조사서

조사일시

2024년06월17일17시30분

부동산의 현황

* 본건 부동산은 집합건물인 화신노블레스4차 12층 업무시설(오피스텔) * 위 임차인 등록은 상가건물임대차 현황서에 의한 것임.

점유 조사

[목록1]* 현지 출장 시 점유중인 김상일을 면담하였는바, `이곳(306호)과 305호를 임차하여(보증금 1천만원, 차임 90만원) `VIVA게임랜드`를 운영하고 있고 달리 임차인은 없다`고 함.
* 평택세무서에 상가건물 임대차정보 제공요청 결과 1인이 등재되어 있음. 상가건물임대차 현황서 첨부

1
소재지 경기도 평택시 관광특구로 30, 3층306호 (서정동,화신노블레스4차)
점유인 김상일(임차인)
점유부분 306호 전부(점포)
점유기간 2024.02.27~2025.07.01
보증금/차임 10,000,000/900,000
전입/확정일자 2024.03.13/미상

미납관리비 조사내역

확인일자 미납금액 관리소번호 메모

※ 해당 정보는 참고용으로 제공되며 입찰 전 반드시 관리사무소를 통해 직접 확인하시기 바랍니다.

시세

전문가

그외

관할법원 관할법원 (입찰장소)

수원지방법원 평택지원

경매7계 : 031-650-3114

경기 평택시 동삭동 663 주소복사

Q&A Q&A

Q. 대법원경매가 무엇인가요?누구나 입찰에 참여할 수 있나요?

경매채무자(빌린 자)가 채무를 갚지 않았을 때 채권자(빌려준 자)의 신청으로 대법원이 채무자의 재산을 대신 매각하는 과정을 말합니다.

법원은 감정인에게 자산을 평가하게 한 후, 최저가를 정하여 그 금액 이상으로 입찰한 입찰자 중 최고가 매수인을 결정합니다.

대법원의 주관하에 국민 모두가 참여할 수 있습니다.

Q. 경매 입찰은 어떻게 하나요?누구나 입찰에 참여할 수 있나요?

1. 입찰하시고자 하는 경매물건을 정하신 후, 입찰하시고자 하는 입찰가를 최저가 이상으로 정합니다.

2. 해당 물건의 매각기일에 직접 관할법원에 방문하셔서 법원내에 비치된 입찰서를 작성하신 후 입찰하시면 됩니다.

TIP! 법원에 가실 때에는 입찰보증금(최저가의 10~30%)과 신분증을 지참하여 방문하세요.

Q. 용어가 너무 어려워서 내용을 이해하기 어려워요누구나 입찰에 참여할 수 있나요?

매각기일
매각기일은 경매 법원이 부동산에 대하여 매각 입찰을 진행하는 날을 말합니다.

유찰
매각 기일에 매수하고자 하는 사람이 없어 매각되지 않아 무효가 되는 것을 유찰이라고 합니다.

최저 매각 가격
최초 경매를 진행할때 감정인이 평가한 가격을 기준으로 책정한 금액이며 입찰자는 최저 매각 가격과 동일하거나 이상의 금액으로 입찰해야 합니다. 매각 기일에 있어 입찰자가 없어 유찰되면 통상 20~30% 저감된 금액이 다음 최저 매각 가격이 됩니다.

매수 보증금
경매 물건을 매수하고자 하는사람은 최저 매각 가격의 10분의 1(다르게 정해질 수 있음)에 해당하는 보증금액을 입찰표와 함께 집행관에게 제출하는 방법으로 제공합니다. 매각 절차가 종결된 후 집행관은 최고가 매수신고인이나 차순위매수신고인 이외의 매수신청인에게는 즉시 매수 보증금을 반환해 줍니다.

더 많은 내용을 알고 싶다면 경매마당 학습하기 코너에 준비된 용어설명을 이용해보세요.

경매정보는 법원자료와 일치하도록 하였으나 권리사항변동, 입력착오 등의 원인으로 사실과 다를 수 있습니다. 이용약관에 의거 면책조건으로 제공됨을 알리며, 경매입찰시 반드시 관련 공부를 재확인하시기 바랍니다.

PC버전으로 보기