알림

알림 내역

알림 신청내역/취소

로고 울산지방법원 본원 [경매8계] 2018타경10168
울산광역시 중구 종가25길 2-1, 1층101호 외 9개 호

울산 중구 장현동 162-3

주소복사
경매구분 임의경매
용도 상가
토지 782.37㎡(236.7평)
건물 1756.5㎡(531.3평)
감정가 3,885,000,000원
최저가 1,332,555,000원
보증금 133,260,000원 (10%)
청구액 1,955,154,203원
접수일 2018년 07월 09일
개시결정 2018년 07월 10일
감정일 2018년 08월 09일
매각일 2021년 05월 11일
2018타경10168
2018타경10168
2018타경10168
2018타경10168
2018타경10168
2018타경10168
2018타경10168
2018타경10168
2018타경10168
2018타경10168
2018타경10168
2018타경10168
2018타경10168
2018타경10168
2018타경10168
2018타경10168
2018타경10168
2018타경10168
2018타경10168
2018타경10168
감정가
38억8500만원
낙찰가 64%
14억33만원
배당종결 2021년 05월 11일
유찰 7회지분매각
유찰 7회지분매각
경매구분 임의경매
용도 상가
토지 782.37㎡(236.7평)
건물 1756.5㎡(531.3평)
감정가 3,885,000,000원
최저가 1,332,555,000원
보증금 133,260,000원 (10%)
청구액 1,955,154,203원
접수일 2018년 07월 09일
개시결정 2018년 07월 10일
감정일 2018년 08월 09일
매각일 2021년 05월 11일
배당종결 2021년 05월 11일

당사자 내역

채무자겸소유자 주OOOOOOOOO
채권자 동OOOOOOO
임차인 갈OO
교부권자 동OOOOO
임차인 김OO
공유자 공OO
공유자 박OO
임차인 갈OOOOOOOOOOO
가압류권자 울OOOOOOO
압류권자 동OOOOO
교부권자 국OOOOOOOOOOOOOO
교부권자 울OOOOOO

기일 내역

2021.06.15
납부 (2021.06.10)
2021.05.18
최고가매각허가결정
2021.05.11
14억33만원 매각
13억3255만5000원 최저가
2021.03.30
19억365만원 유찰
2021.02.23
27억1950만원 유찰
2021.01.19
38억8500만원 유찰
2020.12.01
기일변경
2020.02.25
기일변경
2020.01.21
11억4287만6000원 유찰
2019.12.17
16억3268만원 유찰
2019.11.12
23억3240만원 유찰
2019.10.08
33억3200만원 유찰
2019.09.03
기일변경
2019.07.30
기일변경

기일 변경(2020년11월29일)

변경 후 추후지정

물건 비고(공고문)

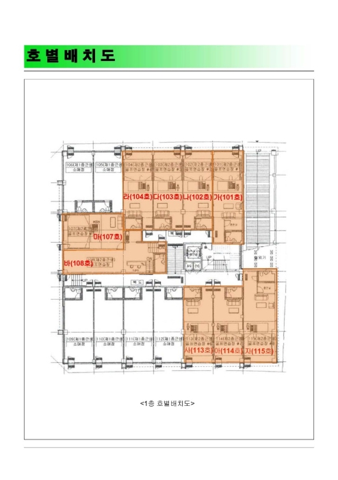
1. 일괄매각 2. 목록10.은 지분매각, 자동차권련시설(주차장)으로 이용중 3. 9개 호실은 건물 1층 태양스크린골프존 내에 소재하며, 8개 호실은 스크린 게임방으로 이용중이고, 그 중 108호는 현재 입구 카운터에 해당하는 호실임.

임차인(매각 명세서)

<비고>
갈경숙:9개 호실 전부를 점유 및 사용중이며 108호는 입구 카운터로 사용중임
김태양:권리신고 하지 않아 임대차관계 불분명함.(김태양은 갈경숙의 자녀임)

물건 비고(매각 명세서)

1. 일괄매각
2. 목록10.은 지분매각, 자동차권련시설(주차장)으로 이용중
3. 9개 호실은 건물 1층 태양스크린골프존 내에 소재하며, 8개 호실은 스크린 게임방으로 이용중이고, 그 중 108호는 현재 입
구 카운터에 해당하는 호실임.

현황 조사(현황 조사서)

1.본 건 부동산은 울산 중구 장현동에 소재하는 부동산임.
2.현황 확인한 바 9개 호실은 건물 1층 태양스크린내에 소재하며,8개 호실은 스크린 게임방으로 운영중이었음.
3.108호는 현재 입구 카운터에 해당되는 호실이었음.
위 임차인은 스크린 골프장내에 소재하는 9개 호실 전부를 점유 및 사용하고 있으며,108호는 입구 카운터로 사용중임.

점유 조사(현황 조사서)

[목록1]*본 건 부동산은 점유자 서류 미제출로 조사불가하여 주민센터 전입세대 열람한 바 전입세대 없음.(전입세대열람 내역서 첨부)[목록2]*본 건 부동산은 점유자 서류 미제출로 조사불가하여 주민센터 전입세대 열람한 바 전입세대 없음.(전입세대열람 내역서 첨부)[목록3]*본 건 부동산은 점유자 서류 미제출로 조사불가하여 주민센터 전입세대 열람한 바 전입세대 없음.(전입세대열람 내역서 첨부)[목록4]*본 건 부동산은 점유자 서류 미제출로 조사불가하여 주민센터 전입세대 열람한 바 전입세대 없음.(전입세대열람 내역서 첨부)[목록5]*본 건 부동산은 점유자 서류 미제출로 조사불가하여 주민센터 전입세대 열람한 바 전입세대 없음.(전입세대열람 내역서 첨부)[목록6]1.본 건 호실은 입구 카운터에 해당되는 호실임. 2.본 건 부동산은 점유자 서류 미제출로 조사불가하여 주민센터 전입세대 열람한 바 전입세대 없음.(전입세대열람 내역서 첨부)[목록7]*본 건 부동산은 점유자 서류 미제출로 조사불가하여 주민센터 전입세대 열람한 바 전입세대 없음.(전입세대열람 내역서 첨부)[목록8]*본 건 부동산은 점유자 서류 미제출로 조사불가하여 주민센터 전입세대 열람한 바 전입세대 없음.(전입세대열람 내역서 첨부)[목록9]*본 건 부동산은 점유자 서류 미제출로 조사불가하여 주민센터 전입세대 열람한 바 전입세대 없음.(전입세대열람 내역서 첨부)

매각결과+

매각일자 / 결과 응찰자수 최고가 금액/응찰자명 차순위 금액
부동산
등기
임차인
그 외

부동산

매각목록

※ 건축물 도면은 ‘건축물 대장의 기재 및 관리에 관한 규칙’ 에 따라 현재 경매가 진행중인 물건에만 제공됩니다.
※ 지분물건의 경우 면적은 지분에 해당하는 면적이 아닌 전체 면적으로 표기됩니다

감정평가

감정평가서 요약

1.구분건물감정평가요항표 1) 위치 및 주위환경 본건은 울산광역시 중구 서동 소재 "외솔중학교" 북서측 인근에 위치하며, 주위는 주택 및 상가지대로서 아파트단지, 단독주택 및 근린생활시설 등으로 형성되어 있는 등 전반적인 주위환경은 보통시 됨. 2) 교통상황 본건까지 차량접근 가능하며, 버스정류장 등 대중교통시설의 위치 등으로 보아 전반적인 교통상황은 보통시됨. 3) 건물의 구조 철근콘크리트구조 (철근)콘크리트지붕 지상3층 건물 내 1층 101호, 102호, 103호,104호, 107호, 108호, 113호, 114호, 115호로서외벽 : 복합판넬 및 몰탈위 페인팅등 마감내벽 : 벽지 및 타일등 마감창호 : 알루미늄새시 창호임. 4) 이용상태 기호[가-자] : 9개호 공히 근린생활시설(태양스크린골프존)임. 5) 설비내역 위생설비, 급·배수설비, 소화전설비, 승강기설비, 스프링클러 등이 되어있음. 6) 토지의 형상 및 이용상태 가장형의 평지로서 자동차관련시설(주차장) 및 근린생활시설 건부지로 이용중임. 7) 인접 도로상태등 주변 가로망 상태 보통임. 8) 토지이용계획 및 제한상태 준주거지역, 도로(접함), 기타(주차장), 제1종지구단위계획구역, 택지개발예정지구, 혁신도시개발예정지구, 장애물제한표면구역, 가축사육제한구역임. 9) 공부와의 차이 없음. 10) 기타참고사항(임대관례 및 기타) 임대관계 - 미상임기타사항 - 없음.

주변 입주 예정

거리 단지명 공급년월 세대 수
※ 해당 자료는 한국부동산원 청약홈 자료에 근거하며, 인근 5km 이내의 물건을 기준으로 산정되었습니다.

등기

등기부현황

채권합계 4,115,000,000원(4건)
등기일자 권리종류 권리자/채권액 권리
2016-05-16
(을1)
근저당권설정 중앙새마을금고 소멸
말소기준 등기 260,000,000원
2016-05-16
(을2)
근저당권설정 중앙새마을금고 소멸
- 260,000,000원
2016-06-30
(을3)
근저당권설정 동울산새마을금고 소멸
- 3,055,000,000원
2017-03-02
(을3-1)
근저당권변경 소멸
- 목적 갑구6번주식회사태양홀딩스지분전부근저당권 설정
2017-02-23
(을4)
근저당권설정 중앙새마을금고 소멸
- 540,000,000원
2018-09-14
(갑9)
압류 동울산세무서 소멸
- -
2020-02-05
(갑12)
임의경매개시결정
(2020타경1761)
중앙새마을금고 소멸
경매기입 등기
2020-03-18
(갑13)
임의경매개시결정
(2020타경3286)
동울산새마을금고 소멸
경매기입 등기
2020-11-04
(갑14)
압류 동울산세무서장 소멸
- -
더보기 더보기
※ 신규 발급등기의 분석자료 반영에는 최대 1일까지 소요될수 있습니다.(등기분석,임차인분석,분석노트 등)

임차인

매각물건 명세서

구분 법원 사건번호 작성일자 매각명세서
1 울산지법 2018타경10168[1] 2021.04.15
구분 법원/
사건번호
작성일자 매각명세서
1 울산지법
2018타경10168[1]
2021.04.15

임차인(매각 명세서)

<비고>
갈경숙:9개 호실 전부를 점유 및 사용중이며 108호는 입구 카운터로 사용중임
김태양:권리신고 하지 않아 임대차관계 불분명함.(김태양은 갈경숙의 자녀임)

물건 비고(매각 명세서)

1. 일괄매각
2. 목록10.은 지분매각, 자동차권련시설(주차장)으로 이용중
3. 9개 호실은 건물 1층 태양스크린골프존 내에 소재하며, 8개 호실은 스크린 게임방으로 이용중이고, 그 중 108호는 현재 입
구 카운터에 해당하는 호실임.

임차인현황

임차인 보증금/차임 전입/확정/배당 대항력
갈경숙
(점포임차인)
점유부분:
101호, 102호, 103호, 104호, 107호, 108호, 113호, 114호, 115호 전부
보증:
300,000,000
차임:
-
사업: 2018-02-05
확정: 2018-06-25
배당: 2018-08-16
-
[현황조사]
김태양
(점포임차인)
점유부분:
101호, 102호, 103호, 104호, 107호, 108호, 113호, 114호, 115호 전부
보증:
300,000,000
차임:
-
사업: 2018-02-05
확정: 2018-06-25
배당: -
-

현황 조사서

조사일시

2018년08월13일12시20분

부동산의 현황

1.본 건 부동산은 울산 중구 장현동에 소재하는 부동산임.
2.현황 확인한 바 9개 호실은 건물 1층 태양스크린내에 소재하며,8개 호실은 스크린 게임방으로 운영중이었음.
3.108호는 현재 입구 카운터에 해당되는 호실이었음.
위 임차인은 스크린 골프장내에 소재하는 9개 호실 전부를 점유 및 사용하고 있으며,108호는 입구 카운터로 사용중임.

점유 조사

[목록1]*본 건 부동산은 점유자 서류 미제출로 조사불가하여 주민센터 전입세대 열람한 바 전입세대 없음.(전입세대열람 내역서 첨부)[목록2]*본 건 부동산은 점유자 서류 미제출로 조사불가하여 주민센터 전입세대 열람한 바 전입세대 없음.(전입세대열람 내역서 첨부)[목록3]*본 건 부동산은 점유자 서류 미제출로 조사불가하여 주민센터 전입세대 열람한 바 전입세대 없음.(전입세대열람 내역서 첨부)[목록4]*본 건 부동산은 점유자 서류 미제출로 조사불가하여 주민센터 전입세대 열람한 바 전입세대 없음.(전입세대열람 내역서 첨부)[목록5]*본 건 부동산은 점유자 서류 미제출로 조사불가하여 주민센터 전입세대 열람한 바 전입세대 없음.(전입세대열람 내역서 첨부)[목록6]1.본 건 호실은 입구 카운터에 해당되는 호실임. 2.본 건 부동산은 점유자 서류 미제출로 조사불가하여 주민센터 전입세대 열람한 바 전입세대 없음.(전입세대열람 내역서 첨부)[목록7]*본 건 부동산은 점유자 서류 미제출로 조사불가하여 주민센터 전입세대 열람한 바 전입세대 없음.(전입세대열람 내역서 첨부)[목록8]*본 건 부동산은 점유자 서류 미제출로 조사불가하여 주민센터 전입세대 열람한 바 전입세대 없음.(전입세대열람 내역서 첨부)[목록9]*본 건 부동산은 점유자 서류 미제출로 조사불가하여 주민센터 전입세대 열람한 바 전입세대 없음.(전입세대열람 내역서 첨부)

1
소재지 울산광역시중구종가25길2-1,1층108호
점유인 갈경숙(임차인)
점유부분 1층 태양스크린전체(점포)
점유기간 2018.02.08~
보증금/차임 300,000,000/미상
전입/확정일자 미상/2018.06.25

미납관리비 조사내역

확인일자 미납금액 관리소번호 메모

※ 해당 정보는 참고용으로 제공되며 입찰 전 반드시 관리사무소를 통해 직접 확인하시기 바랍니다.

시세

전문가

그외

관할법원 관할법원 (입찰장소)

울산지방법원 본원

경매8계 : 052-216-8000

울산 남구 옥동 1415 주소복사

Q&A Q&A

Q. 대법원경매가 무엇인가요?누구나 입찰에 참여할 수 있나요?

경매채무자(빌린 자)가 채무를 갚지 않았을 때 채권자(빌려준 자)의 신청으로 대법원이 채무자의 재산을 대신 매각하는 과정을 말합니다.

법원은 감정인에게 자산을 평가하게 한 후, 최저가를 정하여 그 금액 이상으로 입찰한 입찰자 중 최고가 매수인을 결정합니다.

대법원의 주관하에 국민 모두가 참여할 수 있습니다.

Q. 경매 입찰은 어떻게 하나요?누구나 입찰에 참여할 수 있나요?

1. 입찰하시고자 하는 경매물건을 정하신 후, 입찰하시고자 하는 입찰가를 최저가 이상으로 정합니다.

2. 해당 물건의 매각기일에 직접 관할법원에 방문하셔서 법원내에 비치된 입찰서를 작성하신 후 입찰하시면 됩니다.

TIP! 법원에 가실 때에는 입찰보증금(최저가의 10~30%)과 신분증을 지참하여 방문하세요.

Q. 용어가 너무 어려워서 내용을 이해하기 어려워요누구나 입찰에 참여할 수 있나요?

매각기일
매각기일은 경매 법원이 부동산에 대하여 매각 입찰을 진행하는 날을 말합니다.

유찰
매각 기일에 매수하고자 하는 사람이 없어 매각되지 않아 무효가 되는 것을 유찰이라고 합니다.

최저 매각 가격
최초 경매를 진행할때 감정인이 평가한 가격을 기준으로 책정한 금액이며 입찰자는 최저 매각 가격과 동일하거나 이상의 금액으로 입찰해야 합니다. 매각 기일에 있어 입찰자가 없어 유찰되면 통상 20~30% 저감된 금액이 다음 최저 매각 가격이 됩니다.

매수 보증금
경매 물건을 매수하고자 하는사람은 최저 매각 가격의 10분의 1(다르게 정해질 수 있음)에 해당하는 보증금액을 입찰표와 함께 집행관에게 제출하는 방법으로 제공합니다. 매각 절차가 종결된 후 집행관은 최고가 매수신고인이나 차순위매수신고인 이외의 매수신청인에게는 즉시 매수 보증금을 반환해 줍니다.

더 많은 내용을 알고 싶다면 경매마당 학습하기 코너에 준비된 용어설명을 이용해보세요.

경매정보는 법원자료와 일치하도록 하였으나 권리사항변동, 입력착오 등의 원인으로 사실과 다를 수 있습니다. 이용약관에 의거 면책조건으로 제공됨을 알리며, 경매입찰시 반드시 관련 공부를 재확인하시기 바랍니다.

PC버전으로 보기